Die Montage und Demontage des vierten Pols und des Hilfskontaktes erfolgt schnell und einfach ohne Werkzeug.
| |||||
01 | Zusatzkontakte | 02 | Klemmenabdeckung | 03 | Seitlich montierbarer Zusatz-Vierter Pol |
Der Trennschalter übernimmt die gleiche Hilfsfunktion Der Trennschalter kann mit bis zu | Die Klemmenabdeckung des Trennschalters verfügt über eine einfache | Simultan- oder Frühkontaktbetrieb | |||
04 | Schaltergehäuse | 05 | Drehbarer Griff | ||
Der Schalter übernimmt Kompressionskontakt | Drehbarer Griff mit Vorhängeschloss gegen Fehlbedienung | ||||

Typ | 3 Punkte | EKD80-PM16R-3RY | EKD80-PM20R-3RY | EKD80-PM25R-3RY | EKD80-PM32R-3RY | EKD80-PM40R-3RY | EKD80-PM63R-3RY | EKD80-PM80R-3RY | EKD80-PM80HR-3RY | EKD80-PM100R-3RY | EKD80-PM125R-3RY | |
4P | EKD80-PM16R-4RY | EKD80-PM20R-4RY | EKD80-PM25R-4RY | EKD80-PM32R-4RY | EKD80-PM40R-4RY | EKD80-PM63R-4RY | EKD80-PM80R-4RY | EKD80-PM80HR-4RY | EKD80-PM100R -4RY | EKD80-PM125R-4RY | ||
Aktuell Vereinbarter Heizstrom (≤40°C) | 16A | 20A | 25A | 32A | 40A | 63A | 80A | 100A | 100A | 125A | ||
IEC-zertifizierter Betrieb aktuelle Datei AC-21 A/B (≤690 V) | 16A/16A | 20A/20A | 25A/25A | 32A/32A | 40A/40A | 63A/63A | 80A/80A | 100A/100A | 100A/100A | 125A/125A | ||
IEC-zertifiziert | 415 V | 16A/16A | 20A/20A | 25A/25A | 32A/32A | 40A/40A | 63A/63A | 80A/80A | 100A/100A | 100A/100A | 125A/125A | |
500 V | ||||||||||||
690 V | 32A/40A | 40A/63A | 63A/80A | 63A/80A | 80A/100A | 100A/125A | ||||||
IEC-zertifiziert | 415 V | 16A/16A | 20A/20A | 25A/25A | 32A/32A | 40A/40A | 63A/63A | 80A/80A | 80A/80A | 100A/100A | 125A/125A | |
500 V | 25A/25A | 63A/63A | 80A/80A | 100A/125A | ||||||||
690 V | 40A/40A | 63A/63A | 63A/63A | |||||||||
IEC-zertifiziert | 110 V Gleichstrom | 16A① | 20A① | 25A① | 32A① | 40A① | 63A① | 80A① | 80A① | 100 A① | 125A① | |
250 V Gleichstrom | 16A② | 20A② | 25A② | 32A② | 40A② | 63A② | 80A② | 80A② | 100 A② | 125A② | ||
400 V Gleichstrom | 16A③ | 20A③ | 25A③ | 25A③ | 40A③ | 63A③ | ||||||
IEC-zertifiziert | 415 V | 7,5 kW | 9KW | 11KW | 15KW | 18,5 kW | 30KW | 37KW | 45KW | 55KW | ||
500 V | ||||||||||||
690 V | 11KW | 15KW | ||||||||||
Kurzschlussfestigkeitsstrom der Sicherung (kA rms erwarteter Wert) | ||||||||||||
Sicherungsklasse | 415 V | 16A | 20A | 25A | 32A | 40A | 63A | 80A | 100A | 125A | ||
Bedingt bewertet Kurzschlussstrom | 415 V | 50 kA | 25 kA | |||||||||
Kurzschlussfestigkeit des Leistungsschalters zum Schutz, jeder Leistungsschalter, der innerhalb von 0,3 s auslösen kann | ||||||||||||
Bemessungs-Kurzzeit Stromaufnahme | 0,3 Sekunden | 2,5 kA | 3 kA | 5 kA | ||||||||
Kurzschlussverhalten (ungeschützt) | ||||||||||||
Bemessungs-Kurzzeit Stromaufnahme | 1S | 1,26 kA | 1,5 kA | 2,75 kA | ||||||||
Bemessungskurzschluss Herstellungskapazität | 1,8 kA | 2,1 kA | 3,9 kA | |||||||||
Querbereich der Terminals | 1,5 bis 16 mm² | 2,5 bis 35 mm² | 10 bis 70 mm² | |||||||||
Bemessungsisolationsspannung Ui | 800 V | |||||||||||
Bemessungsstoßspannungsfestigkeit Spannung Uimp | 8 kV | |||||||||||
Mechanische Lebensdauer | 100000 | |||||||||||
Umgebungstemperatur | Betrieb -25...+55℃ Lagerung -40...+70°C | |||||||||||
①Jeder Pol wird als Plus- und Minuspol verwendet
②Drei Pole werden in Reihe mit Plus- und Minuspolen verwendet, davon zwei Pole in Reihe und der andere ist negativ
③Vier Pole werden in Reihe mit Plus- und Minuspolen verwendet

Typ | 3 Punkte | EKD80-PM16R-3BW | EKD80-PM20R-3BW | EKD80- PM25R -3BW | EKD80-PM32R-3BW | EKD80-PM40R-3BW | EKD80-PM63R-3BW | EKD80- PM80R -3BW | EKD80- PM80HR -3BW | EKD80-PM100R-3BW | EKD80- PM125R -3BW | |
4P | EKD80-PM16R-4BW | EKD80- PM20R -4BW | EKD80- PM25R -4BW | EKD80-PM32R-4BW | EKD80-PM40R-4BW | EKD80-PM63R-4BW | EKD80- PM80R -4BW | EKD80- PM80HR -4BW | EKD80-PM100R-4BW | EKD80- PM125R -4BW | ||
Aktuell Vereinbarter Heizstrom (≤40°C) | 16A | 20A | 25A | 32A | 40A | 63A | 80A | 100A | 100A | 125A | ||
IEC-zertifizierter Betrieb aktuelle Datei AC-21 A/B (≤690 V) | 16A/16A | 20A/20A | 25A/25A | 32A/32A | 40A/40A | 63A/63A | 80A/80A | 100A/100A | 100A/100A | 125A/125A | ||
IEC-zertifiziert | 415 V | 16A/16A | 20A/20A | 25A/25A | 32A/32A | 40A/40A | 63A/63A | 80A/80A | 100A/100A | 100A/100A | 125A/125A | |
500 V | ||||||||||||
690 V | 32A/40A | 40A/63A | 63A/80A | 63A/80A | 80A/100A | 100A/125A | ||||||
IEC-zertifiziert | 415 V | 16A/16A | 20A/20A | 25A/25A | 32A/32A | 40A/40A | 63A/63A | 80A/80A | 80A/80A | 100A/100A | 125A/125A | |
500 V | 25A/25A | 63A/63A | 80A/80A | 100A/125A | ||||||||
690 V | 40A/40A | 63A/63A | 63A/63A | |||||||||
IEC-zertifiziert | 110 V Gleichstrom | 16A① | 20A① | 25A① | 32A① | 40A① | 63A① | 80A① | 80A① | 100 A① | 125A① | |
250 V Gleichstrom | 16A② | 20A② | 25A② | 32A② | 40A② | 63A② | 80A② | 80A② | 100 A② | 125A② | ||
400 V Gleichstrom | 16A③ | 20A③ | 25A③ | 25A③ | 40A③ | 63A③ | ||||||
IEC-zertifiziert | 415 V | 7,5 kW | 9KW | 11KW | 15KW | 18,5 kW | 30KW | 37KW | 45KW | 55KW | ||
500 V | ||||||||||||
690 V | 11KW | 15KW | ||||||||||
Kurzschlussfestigkeitsstrom der Sicherung (kA rms erwarteter Wert) | ||||||||||||
Sicherungsklasse | 415 V | 16A | 20A | 25A | 32A | 40A | 63A | 80A | 100A | 125A | ||
Bedingt bewertet Kurzschlussstrom | 415 V | 50 kA | 25 kA | |||||||||
Kurzschlussfestigkeit des Leistungsschalters zum Schutz, jeder Leistungsschalter, der innerhalb von 0,3 s auslösen kann | ||||||||||||
Bemessungs-Kurzzeit Stromaufnahme | 0,3 Sekunden | 2,5 kA | 3 kA | 5 kA | ||||||||
Kurzschlussverhalten (ungeschützt) | ||||||||||||
Bemessungs-Kurzzeit Stromaufnahme | 1S | 1,26 kA | 1,5 kA | 2,75 kA | ||||||||
Bemessungskurzschluss Herstellungskapazität | 1,8 kA | 2,1 kA | 3,9 kA | |||||||||
Querbereich der Terminals | 1,5 bis 16 mm² | 2,5 bis 35 mm² | 10 bis 70 mm² | |||||||||
Bemessungsisolationsspannung Ui | 800 V | |||||||||||
Bemessungsstoßspannungsfestigkeit Spannung Uimp | 8 kV | |||||||||||
Mechanische Lebensdauer | 100000 | |||||||||||
Umgebungstemperatur | Betrieb -25...+55℃ Lagerung -40...+70°C | |||||||||||
①Jeder Pol wird als Plus- und Minuspol verwendet
②Drei Pole werden in Reihe mit Plus- und Minuspolen verwendet, davon zwei Pole in Reihe und der andere ist negativ
③Vier Pole werden in Reihe mit Plus- und Minuspolen verwendet

Typ | 3 Punkte | EKD80- PM16 -3BW | EKD80- PM20 -3BW | EKD80- PM25 -3BW | EKD80-PM32-3BW | EKD80- PM40 -3BW | EKD80-PM63-3BW | EKD80- PM80 -3BW | EKD80- PM80H -3BW | EKD80- PM100 -3BW | EKD80- PM125 -3BW | |
4P | EKD80- PM16 -4BW | EKD80- PM20 -4BW | EKD80- PM25 -4BW | EKD80-PM32-4BW | EKD80- PM40 -4BW | EKD80-PM63-4BW | EKD80- PM80 -4BW | EKD80- PM80H -4BW | EKD80- PM100 -4BW | EKD80- PM125 -4BW | ||
Aktuell Vereinbarter Heizstrom (≤40°C) | 16A | 20A | 25A | 32A | 40A | 63A | 80A | 100A | 100A | 125A | ||
IEC-zertifizierter Betrieb aktuelle Datei AC-21 A/B (≤690 V) | 16A/16A | 20A/20A | 25A/25A | 32A/32A | 40A/40A | 63A/63A | 80A/80A | 100A/100A | 100A/100A | 125A/125A | ||
IEC-zertifiziert | 415 V | 16A/16A | 20A/20A | 25A/25A | 32A/32A | 40A/40A | 63A/63A | 80A/80A | 100A/100A | 100A/100A | 125A/125A | |
500 V | ||||||||||||
690 V | 32A/40A | 40A/63A | 63A/80A | 63A/80A | 80A/100A | 100A/125A | ||||||
IEC-zertifiziert | 415 V | 16A/16A | 20A/20A | 25A/25A | 32A/32A | 40A/40A | 63A/63A | 80A/80A | 80A/80A | 100A/100A | 125A/125A | |
500 V | 25A/25A | 63A/63A | 80A/80A | 100A/125A | ||||||||
690 V | 40A/40A | 63A/63A | 63A/63A | |||||||||
IEC-zertifiziert | 110 V Gleichstrom | 16A① | 20A① | 25A① | 32A① | 40A① | 63A① | 80A① | 80A① | 100 A① | 125A① | |
250 V Gleichstrom | 16A② | 20A② | 25A② | 32A② | 40A② | 63A② | 80A② | 80A② | 100 A② | 125A② | ||
400 V Gleichstrom | 16A③ | 20A③ | 25A③ | 25A③ | 40A③ | 63A③ | ||||||
IEC-zertifiziert | 415 V | 7,5 kW | 9KW | 11KW | 15KW | 18,5 kW | 30KW | 37KW | 45KW | 55KW | ||
500 V | ||||||||||||
690 V | 11KW | 15KW | ||||||||||
Kurzschlussfestigkeitsstrom der Sicherung (kA rms erwarteter Wert) | ||||||||||||
Sicherungsklasse | 415 V | 16A | 20A | 25A | 32A | 40A | 63A | 80A | 100A | 125A | ||
Bedingt bewertet Kurzschlussstrom | 415 V | 50 kA | 25 kA | |||||||||
Kurzschlussfestigkeit des Leistungsschalters zum Schutz, jeder Leistungsschalter, der innerhalb von 0,3 s auslösen kann | ||||||||||||
Bemessungs-Kurzzeit Stromaufnahme | 0,3 Sekunden | 2,5 kA | 3 kA | 5 kA | ||||||||
Kurzschlussverhalten (ungeschützt) | ||||||||||||
Bemessungs-Kurzzeit Stromaufnahme | 1S | 1,26 kA | 1,5 kA | 2,75 kA | ||||||||
Bemessungskurzschluss Herstellungskapazität | 1,8 kA | 2,1 kA | 3,9 kA | |||||||||
Querbereich der Terminals | 1,5 bis 16 mm² | 2,5 bis 35 mm² | 10 bis 70 mm² | |||||||||
Bemessungsisolationsspannung Ui | 800 V | |||||||||||
Bemessungsstoßspannungsfestigkeit Spannung Uimp | 8 kV | |||||||||||
Mechanische Lebensdauer | 100000 | |||||||||||
Umgebungstemperatur | Betrieb -25...+55℃ Lagerung -40...+70°C | |||||||||||
①Jeder Pol wird als Plus- und Minuspol verwendet
②Drei Pole werden in Reihe mit Plus- und Minuspolen verwendet, davon zwei Pole in Reihe und der andere ist negativ
③Vier Pole werden in Reihe mit Plus- und Minuspolen verwendet
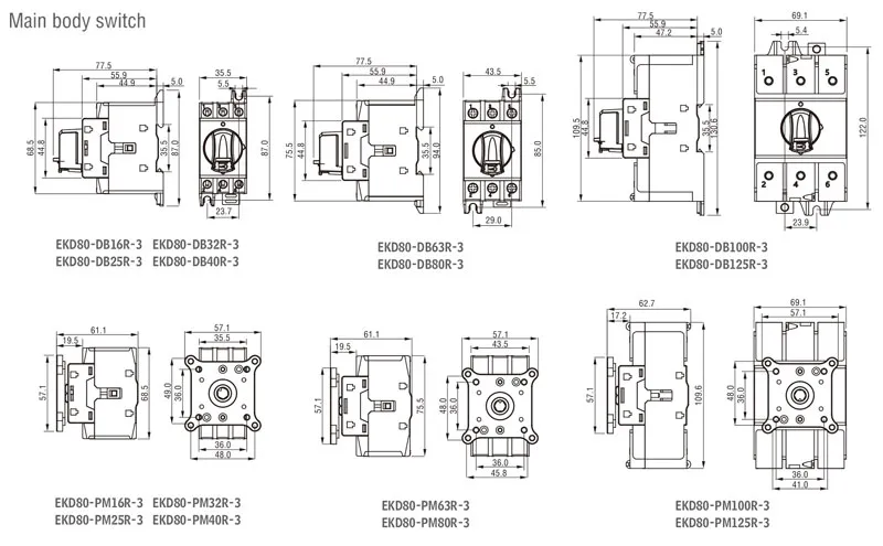
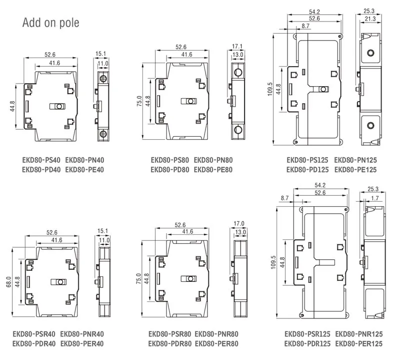
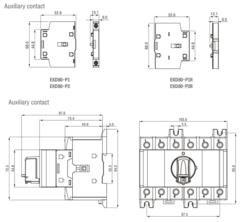
Gesamt- und Einbaumaße (mm)




